about

Softwares

NavWiz is the ultimate AMR control software enabling smart, real-time navigation, route optimization, and seamless movement across complex environments. Make your automation faster, smarter, and more precise.

User Editor & Interface

Take control with ease. Our User Editor & Interface is designed for
simplicity and power, letting you configure, monitor, and manage your
AMRs with intuitive tools. Say goodbye to complexity and power your
team to handle automation seam lessly.

Mapping & Navigation

Navigate with confidence using advanced Mapping & Navigation. Ensure every AMR knows its route, adapts to changes, and moves flawlessly through your space. With detailed, real-time mapping, complex paths become straightforward, boosting productivity and reliability.

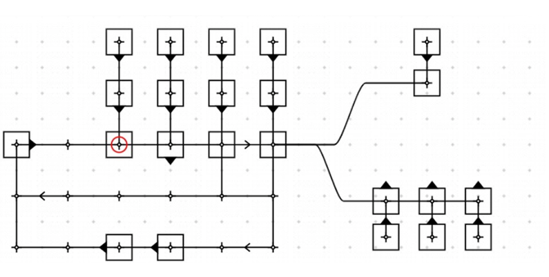
Flow Chart Programming

Design workflows with a drag-and-drop simplicity that brings automation to life. Flow Chart Programming allows you to create complex tasks visually, making setup faster and adjustments easier. Empower your team to program with confidence and agility.

Call Button System

The Call Button System allow users to summon the AMR to specific locations with a single press. This feature simplifies task requests and ensures immediate response for material handling needs. The wireless call button can be strategically placed at workstations or loading areas, enabling operators to quickly dispatch the AMR without needing a central control system, improving overall workflow efficiency and reducing downtime.

OUR EXPERT TEAMS WILL REACH
OUT TO YOU IN NO TIME

Request a Free Custom Quote